|
CW TX termometar
|
CW TX termometar je termometar baziran na PIC1684 i DS1820 senzoru. Radi na taj način da mjeri temperaturu sa rezolucijom od 0,5 stupnjeva i kao takvu pretvara je u CW. Na izlaz tranzistora Q2 niže u shemi može se staviti oscilatorna zujalica i imamo temperaturu u CW formatu koja se mjeri u intervalima od oko 5 sekundi ( podešeno softverski). Ako se izlaz spoji na CW predajnik na slici 2. dobivamo mali odašiljač od oko 150mW na 18 MHz. Frekvencija je sad ovisna o kristalu. Senzor mora biti DS1820 ili DS18S20. DS18B20 neće dobro raditi! Ovdje možete skinuti sve što je potrebno u paketu od pločica, shema i softvera za PIC. Pločice i sheme su rađene u EAGLE-u: link Inače moj radi na 18.434 MHz već 8 godina bez prestanka. Antena je obična inverted v sa vrhom na 6 metara, nije baš najbolje podešena ali možda netko čuje!!! Trebam još napomenuti da mjerenje radi na taj način da ukoliko je negativna temperatura kuca slovo T umjeto minusa, a umjesto zareza decimale slovo E. To je napravljeno zbog jednostavnosti. Na primjer -2,5 stupnjeva zvuči kao T02E5C i tako redom... JP1 konektor napajanje, JP2 je key out. |
![]() |
| Shema CW termometra |
|
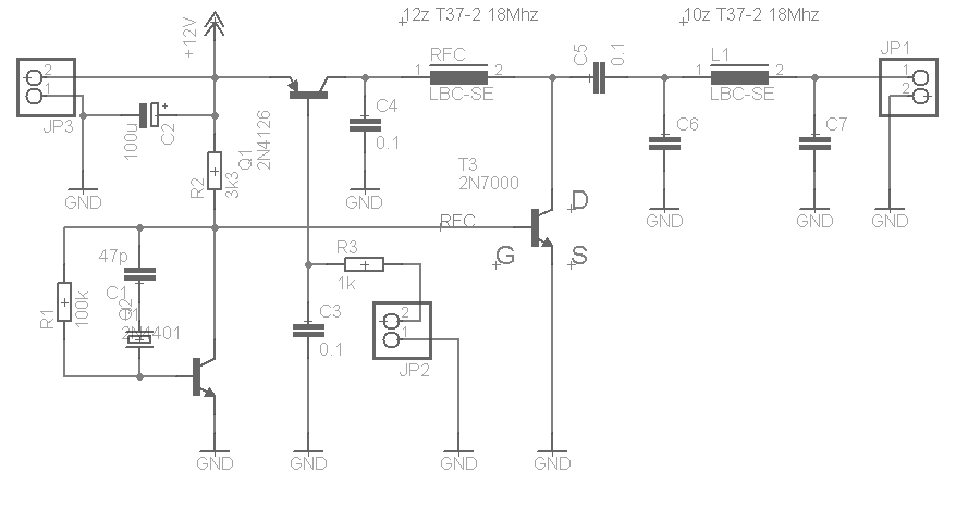
Shema transmitera |
RF transformatori su 2 komada T37-2, a žica je oko 0.4 mm. C6-7 su 82 pf za 18 MHz. Napajanje transmitera je 9 - 15 V. JP2 konektor je key in. |
![]() |